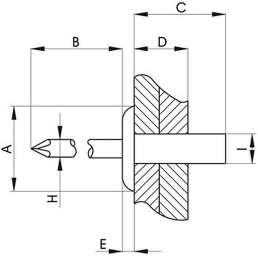
Wasserdichte Gesipa-Aluminiumniete mit Rundkopf.
Marke: Gesipa
Beschreibung
Der wasserdichte Niet ist ideal für Montageprozesse, bei denen das Austreten von Flüssigkeiten oder Dämpfen vermieden werden muss. Der gewölbte Kopf ist der vielseitigste und wird aufgrund seiner vielfältigen Einsatzmöglichkeiten auch am häufigsten verwendet.
















