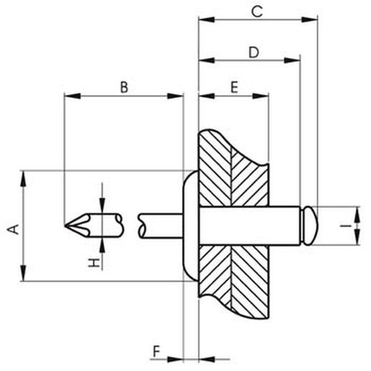
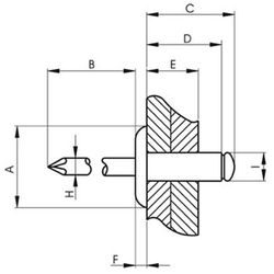
Standard-Aluminiumniete mit gewölbtem Kopf.
Marke: Bralo
Beschreibung
Der Standardniet ist zum Verbinden aller Arten metallischer Werkstoffe sowie verschiedener Materialien vorgesehen, bei denen kein spezielles Anziehen erforderlich ist. Der gewölbte Kopf ist der vielseitigste und am häufigsten verwendete, da er sich an verschiedene Einsatzzwecke anpassen lässt.
















